Фрезерный инструмент
Расчет траектории обработки во фрезерных операциях производится для концевых фрез различных типов. Типы фрез различаются формой фасонной части и параметрами для ее описания. Поддерживаемые типы фрез с перечнем их геометрических параметров перечислены в таблице:
| Цилиндрическая фреза: длина, диаметр; | Сферическая фреза: длина, диаметр; | Тороидальная фреза: длина, диаметр, радиус скругления; | 
| 
 | 
 | 
 | 
| Двухрадиусная фреза: длина, диаметр, радиус скругления у цилиндрической части, радиус скругления вершины; | Двухрадиусная ограниченная фреза: длина, диаметр, радиус скругления у цилиндрической части, радиус скругления у вершины, высота; | Коническая фреза: длина, диаметр, радиус скругления у цилиндрической части, радиус скругления вершины, угол; | 
| 
 | 
 | 
 | 
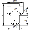
| Коническая ограниченная фреза: длина, диаметр, радиус скругления у цилиндрической части, радиус скругления у вершины, угол, высота; | Гравер: длина, диаметр, угол, высота, диаметр вершины; | Сверло: длина, диаметр, угол заточки; | 
| 
 | 
 | 
 | 
| Центровка : | Т-образный инструмент: | Двухступенчатое сверло: | 
| 
 | 
 | 
 | 
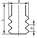
| Резьбовая фреза: | Произвольная фасонная фреза: | |
| 
 | 
 | 
Кроме параметров, описывающих форму фрезы, для инструмента устанавливаются:
- единицы задания линейных размеров (миллиметры или дюймы); 
- направление вращения (правое или левое); 
- количество зубьев; 
- материал; 
- стойкость (в часах). 
Управляющая программа может рассчитываться для конечной и центральной настроечной точки инструмента. Под конечной настроечной точкой подразумевается точка на оси вращения инструмента с координатой Z равной самой нижней режущей точке инструмента. Центральная настроечная точка – точка на оси инструмента с координатой Z равной уровню верхней границы фасонной части инструмента (или уровню нижней границы цилиндрической части).
Сопутствующие ссылки:
 
     
     
     
     
     
     
     
     
     
     
     
     
    