Пример построения чертежа

Давайте рассмотрим построение на примере этого чертежа:

images/download/attachments/131912992/example51.jpg

Нажимаем кнопку построения окружности images/download/attachments/131912992/circle10.jpg

В инспекторе вводим координаты 0, 0 и диаметр 23.

images/download/attachments/131912992/exm1.jpg

Точно так же строим следующую окружность:

images/download/attachments/131912992/exm2.jpg

И третью, предварительно нажав [Alt+2] для переключения типа линии:

images/download/attachments/131912992/exm3.jpg

Далее переключаемся в режим построения отрезка images/download/attachments/131912992/line1.jpg

Указываем первую точку в центре окружностей, далее тянем его за пределы третей окружности, а в инспекторе вводим угол 60°:

images/download/attachments/131912992/exm4.jpg

Переключаемся обратно в режим построения окружности, нажимаем [Alt+1] для возврата в режим построения основных линий, указываем в качестве центра точку пересечения отрезка и третей окружности, нажимаем клавишу [R] для переключения в режим ввода радиуса и вводим 4:

images/download/attachments/131912992/exm5.jpg

Нажимаем клавишу [Esc] или отжимаем кнопку построения окружности для выхода из этого режима. Подсвечиваем более не нужный нам отрезок и нажимаем клавишу [Del] для его удаления, следом удаляем и внешнюю окружность:

images/download/attachments/131912992/exm6.jpg

Переключаемся в режим отсечения images/download/attachments/131912992/trim6.jpg и удаляем ненужную более часть окружности:

images/download/attachments/131912992/exm7.jpg

Выбираем полученную дугу, переключаемся в режим поворота объекта images/download/attachments/131912992/rot.jpg

Перемещаем центр поворота в центр окружностей, в поле [Количество копий] вводим 4, в поле [Угол] — 41°:

images/download/attachments/131912992/exm8.jpg

Далее включаем функцию отсечения images/download/attachments/131912992/trim6.jpg и последовательно удаляем лишние участки:

images/download/attachments/131912992/exm9.jpg

В результате у нас получится такая фигура:

images/download/attachments/131912992/exm10.jpg

Снова включаем построение окружности и вводим такие значения:

images/download/attachments/131912992/exm11.jpg

И следующую окружность:

images/download/attachments/131912992/exm12.jpg

Следующая окружность является основой дуги с радиусом 11.71:

images/download/attachments/131912992/exm13.jpg

Включаем построение скругления images/download/attachments/131912992/chamfer9.jpg и строим дугу радиусом 7:

images/download/attachments/131912992/exm14.jpg

Получается следующее:

images/download/attachments/131912992/exm15.jpg

Включаем режим отсечения и удаляем два лишних фрагмента:

images/download/attachments/131912992/exm16.jpg

В результате получится следующее:

images/download/attachments/131912992/exm17.jpg

Строим вертикальный отрезок:

images/download/attachments/131912992/exm18.jpg

Включаем построение эквидистанты images/download/attachments/131912992/eqv1.jpg и строим отрезок, параллельный к предыдущему на расстоянии 50.1:

images/download/attachments/131912992/exm19.jpg

Включаем отсечение и удаляем лишнюю часть дуги, предварительно отключив в инспекторе поле <Учитывать тип линии>:

images/download/attachments/131912992/exm20.jpg

После чего удаляем и оба временных отрезка и имеем такой результат:

images/download/attachments/131912992/exm21.jpg

Теперь строим вспомогательную окружность с центром в координатах 42.95; 0 и диаметром 3.5:

images/download/attachments/131912992/exm22.jpg

А потом отрезок касательный к этой окружности, нажав перед выбором [Ctrl] и соединяющейся с крайней дугой:

images/download/attachments/131912992/exm23.jpg

Удаляем вспомогательную окружность, выбираем полученный отрезок и фиксируем угол и удлиняем его:

images/download/attachments/131912992/exm24.jpg

Далее строим ещё один вспомогательный отрезок с центром из малой окружности и перпендикулярный к полученному отрезку, для чего наводим курсор на отрезок с нажатым [Ctrl]:

images/download/attachments/131912992/exm25.jpg

Включаем построение эквидистанты и строим отрезок на расстоянии 2.85 от него:

images/download/attachments/131912992/exm26.jpg

И ещё один на таком же расстоянии:

images/download/attachments/131912992/exm27.jpg

Корректируем предыдущий отрезок, предварительно зафиксировав угол таким образом, что бы он остался на своей линии и имел длину 5.7:

images/download/attachments/131912992/exm28.jpg

Строим окружность по полученному элементу:

images/download/attachments/131912992/exm29.jpg

Строим ещё один эквидистантный отрезок:

images/download/attachments/131912992/exm30.jpg

И окружность касательную к окружности и отрезку с радиусом 0.4:

images/download/attachments/131912992/exm31.jpg

Ненужные более вспомогательные элементы удаляем, лишнее отсекаем:

images/download/attachments/131912992/exm32.jpg

Строим ещё одну окружность, касательную к ранее построенным, с радиусом 50:

images/download/attachments/131912992/exm33.jpg

Отсекаем лишние участки окружностей и получаем требуемую фигуру:

images/download/attachments/131912992/exm34.jpg

Для построения внутренней фигуры строим три эквидистантные дуги с расстоянием 2.5 от исходных:

images/download/attachments/131912992/exm35.jpg

Включаем построение скругления images/download/attachments/131912992/chamfer9.jpg и указываем два элемента с размером 2.7:

images/download/attachments/131912992/exm36.jpg

Последний элемент построим как окружность, касательную к двум дугам и радиусом 2.1:

images/download/attachments/131912992/exm37.jpg

Удаляем обрезки элементов и отсекаем лишние части дуг, на этом построение закончено:

images/download/attachments/131912992/exm38.jpg


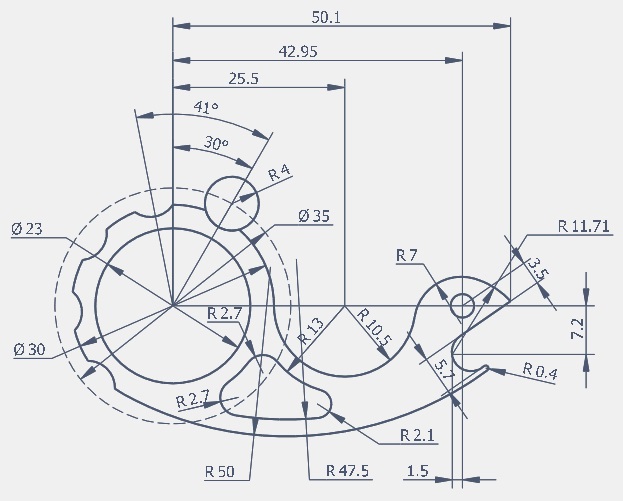
И наш чертёж после нанесения размеров:

images/download/attachments/131912992/example51.jpg