Фрезерный инструмент

Расчет траектории обработки во фрезерных операциях производится для концевых фрез различных типов. Типы фрез различаются формой фасонной части и параметрами для ее описания. Поддерживаемые типы фрез с перечнем их геометрических параметров перечислены в таблице:

Цилиндрическая фреза:

длина, диаметр;

Сферическая фреза:

длина, диаметр;

Тороидальная фреза:

длина, диаметр, радиус скругления;

images/download/attachments/147759691/f_clip0083.png

images/download/thumbnails/147759691/f_clip0084.png

images/download/thumbnails/147759691/f_clip0085.png

Двухрадиусная фреза:

длина, диаметр, радиус скругления у цилиндрической части, радиус скругления вершины;

Двухрадиусная ограниченная фреза:

длина, диаметр, радиус скругления у цилиндрической части, радиус скругления у вершины, высота;

Коническая фреза:

длина, диаметр, радиус скругления у цилиндрической части, радиус скругления вершины, угол;

images/download/thumbnails/147759691/f_clip0086.png

images/download/thumbnails/147759691/f_clip0087.png

images/download/attachments/147759691/f_clip0088.png

Коническая ограниченная фреза:

длина, диаметр, радиус скругления у цилиндрической части, радиус скругления у вершины, угол, высота;

Гравер:

длина, диаметр, угол, высота, диаметр вершины;

Сверло:

длина, диаметр, угол заточки;

images/download/thumbnails/147759691/f_clip0089.png

images/download/attachments/147759691/f_clip0090.png

images/download/thumbnails/147759691/f_clip0091.png

Центровка :

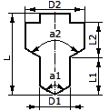
Т-образный инструмент:

Двухступенчатое сверло:

images/download/thumbnails/147759691/f_clip0091_%281%29.png

images/download/attachments/147759691/f_clip0470.png

images/download/attachments/147759691/f_clip0471.png

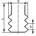
Резьбовая фреза:

Произвольная фасонная фреза:

images/download/attachments/147759691/f_clip0472.png

images/download/attachments/147759691/f_clip0473.png


Кроме параметров, описывающих форму фрезы, для инструмента устанавливаются:

  • единицы задания линейных размеров (миллиметры или дюймы);

  • направление вращения (правое или левое);

  • количество зубьев;

  • материал;

  • стойкость (в часах).

Управляющая программа может рассчитываться для конечной и центральной настроечной точки инструмента. Под конечной настроечной точкой подразумевается точка на оси вращения инструмента с координатой Z равной самой нижней режущей точке инструмента. Центральная настроечная точка – точка на оси инструмента с координатой Z равной уровню верхней границы фасонной части инструмента (или уровню нижней границы цилиндрической части).


Сопутствующие ссылки:

Инструмент