Пример построения чертежа с использованием ограничений

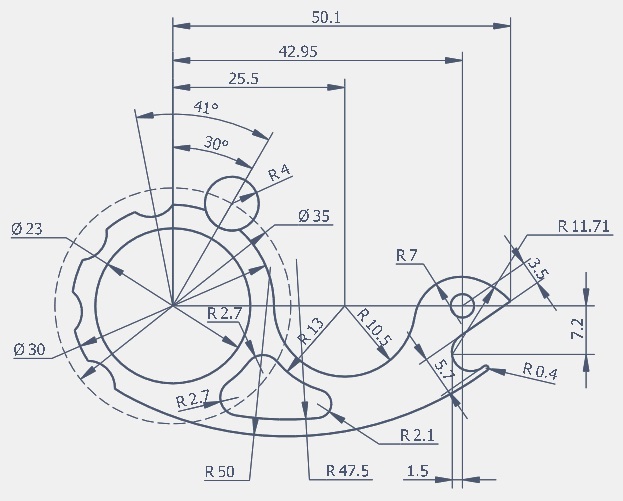
Для примера возьмём тот же чертёж, что и ранее:

images/download/attachments/147757603/example51.jpg

Для начала из точки 0,0 строим три окружности с произвольным радиусом, но более менее соблюдая масштаб. От центра проводим линию под произвольным углом для окружности R4. Размеры не соблюдаем — потом приведём их к указанным на чертеже. Строим окружность и поворачиваем с копированием на угол 41°, предварительно указав центр поворота в точке 0,0. Далее строим оси к полученным окружностям и расставляем угловые и радиальные размеры:

images/download/attachments/147757603/example52.jpg

Обрезаем лишнее:
images/download/attachments/147757603/example53.jpg

Теперь выделяем весь чертеж сочетанием клавиш [Ctrl-A] и меняем радиус окружности 4, следом изменяем угол 30. После этого фиксируем углы отрезков и угловых размеров 41°, после чего снова выделяем все элементы в блок и выставляем значения диаметров по чертежу:

images/download/attachments/147757603/example54.jpg

Фиксируем радиусы ранее построенных окружностей и полученных дуг. Далее продлеваем ось окружности вправо с запасом для дальнейших построений. Строим окружность с центром на полученной линии с запасом, лишнее потом обрежем и образмериваем:

images/download/attachments/147757603/example55.jpg

Фиксируем центр дуги Ø30, выделяем группу элементов в блок, в блоке активизируем новую окружность. Далее в инспекторе во вкладке <Constraints> добавляем ограничение <Касательно к окружности> и указываем часть окружности Ø30, выставляем радиус по чертежу и фиксируем его:

images/download/attachments/147757603/example56-2.jpg

У полученной окружности можно зафиксировать её центр. Далее на оси строим маленькую окружность диаметром 3.5 и строим линейный размер из нулевой точки до её центра. В блоке выставляем по чертежу и фиксируем центр. Строим вертикальную ось для окружности 3.5 и эквидистанту от этой оси на расстоянии 1.5 для построения точки внутри дуги с диаметром 5.7 и фиксируем её угол:

images/download/attachments/147757603/example57.jpg

Теперь строим вспомогательную линию для размера 50.1 от нулевой точки, корректируем размер строим и вспомогательную окружность радиусом 3.5:

images/download/attachments/147757603/example58.jpg

Строим вертикальный размер и в блоке ставим его в 7.2, предварительно закрепив верхнюю точку. Строим отрезок, касательный вспомогательной окружности с радиусом 3.5, что бы пересекал вспомогательный отрезок чуть выше оси. Обрезаем вспомогательный отрезок и строим окружность с центром в получившейся точке и проходящий через точку пересечения касательной и вертикали на 65.4. Образмериваем полученную окружность:

images/download/attachments/147757603/example59.jpg

В блоке выставляем радиус 11.71, затем строим дугу с радиусом 7 касательную к окружностям R10.5 и R11.71, лишнее обрезаем.

images/download/attachments/147757603/example60.jpg

Для построения дуги R5.7 и R0.4 продлеваем наклонный отрезок и строим к нему эквидистанту на расстоянии 5.7, а от неё ещё одну на расстоянии 0.8, соединяем отрезком первые два и вписываем между ними дугу. Строим временный отрезок, проходящий через центр малой окружности и параллельный третьему отрезку, а от него эквидистанту и также вписываем малую дугу. Образмериваем полученные элементы, удаляем и отсекаем лишнее.

images/download/attachments/147757603/example61.jpg

Фиксируем углы отрезков, и точки размеров, лежащих в центре окружности и в блоке меняем размеры на значения с чертежа.

images/download/attachments/147757603/example62.jpg

Лишнее отсекаем или меняем тип линии.

images/download/attachments/147757603/example63.jpg

Сопрягаем дугу R0.4 и левую окружность с R30 дугой R50. Лишнее отсекаем от дуги R0.4

images/download/attachments/147757603/example64.jpg

Теперь строим 3 дуги параллельно R50, R10.5 и R30, фиксируем центры и сопрягаем их дугами, проставляем размеры и отсекаем лишнее.

images/download/attachments/147757603/example65.jpg

В блоке выставляем размеры по чертежу. Сначала выставляем радиусы для больших дуг и после каждой корректировки фиксируем радиус, далее выставляем радиусы скруглений:

images/download/attachments/147757603/example66.jpg

Таким образом мы получили требуемый чертёж.

images/download/attachments/147757603/example67.jpg