Цикл обработки канавок

Цикл обработки канавок позволяет сформировать один из циклов ISO G74/G75 на основе габаритов заданного контура. Параметры цикла задаются в окне свойств. Параметр направление позволяет переключаться между G74 и G75.

images/download/attachments/147762170/image2022-5-12_15-32-43.png

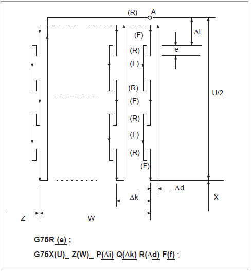
Ниже представлена выдержка из документации стойки ЧПУ FANUC по циклам G74/G75.

Следующая программа позволяет создать траекторию резания, показанную на рис. 13.2.5 В этом цикле возможно стружкодробление, как показано ниже. Если Х (U) и Р опущены, то в результате будет выполняться операция только по оси Z, используемой для сверления.

images/download/attachments/147762170/G74.png

images/download/attachments/147762170/G75.png


Сопутствующие ссылки:

Обработка на токарных станках

Рабочее задание токарных операций

Параметры элемента рабочего задания

Методы редактирования контура

Типы элементов рабочего задания (циклы)